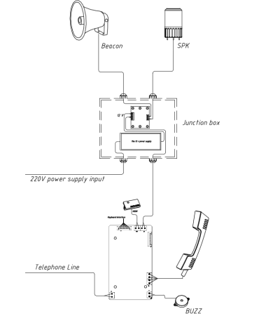
Физические характеристики
- Корпус из литого алюминия с антикоррозионным эпоксидным порошковым покрытием
- Бронированный провод из нержавеющей стали
- Степень защиты IP67
- Наработка на отказ – более 50 000 часов
- Крепление на стену – накладной
- Устойчивость к перенапряжению и сверхпроводящим токам по стандарту ITU-T K.21
- Класс защиты:
Класс II 2G Ex e ib [ib] mb IIC T4 Gb
Класс III 2D Ex ib [ib] tb IIIC T135 °
-40 °C ≤ Ta ≤ +60 °C/+40°C
Зоны: 1, 2, 22, 21 - Рабочая температура: от -40°C до +70°C
- Температура хранения: от -45°C до +85°C
- Размеры (Ш*В*Г): 204*334*109 мм
Сетевые характеристики
- SIP 2.0 (RFC3261)
- 2 SIP-линии
- 2хRJ45 Ethernet-порта 10/100Мбит/с
- Режимы работы с сетью: Статический/DHCP
- Поддержка VLAN
Звуковые характеристики
- Кодеки: G.711A/u, G.7231 high/low, G.729, G.722, G.726
- Полнодуплексная связь с подавлением эха (G.168)
- VAD (обнаружение активности голоса)
- CNG (генератор комфортного шума)
- AEC (подавление эха)
- Рингтон – пронзительная трель; 80 дБА на расcтоянии метра, 120 дБА на расстоянии метра, при использовании горна
Питание
- 12В, поддержка PoE
- Потребление питания: в активном режиме 1.8 Вт, в режиме ожидания 1.5 Вт.
Для покупки товара в нашем интернет-магазине выберите понравившийся товар и добавьте его в корзину. Далее перейдите в Корзину и нажмите на «Оформить заказ» или «Быстрый заказ».
Когда оформляете быстрый заказ, напишите ФИО, телефон и e-mail. Вам перезвонит менеджер и уточнит условия заказа. По результатам разговора вам придет подтверждение оформления товара на почту или через СМС. Теперь останется только ждать доставки и радоваться новой покупке.
Оформление заказа в стандартном режиме выглядит следующим образом. Заполняете полностью форму по последовательным этапам: адрес, способ доставки, оплаты, данные о себе. Советуем в комментарии к заказу написать информацию, которая поможет курьеру вас найти. Нажмите кнопку «Оформить заказ».
Оплачивайте покупки удобным способом. В интернет-магазине доступно 3 варианта оплаты:
- Наличные при самовывозе или доставке курьером. Специалист свяжется с вами в день доставки, чтобы уточнить время и заранее подготовить сдачу с любой купюры. Вы подписываете товаросопроводительные документы, вносите денежные средства, получаете товар и чек.
- Безналичный расчет при самовывозе или оформлении в интернет-магазине: карты Visa и MasterCard. Чтобы оплатить покупку, система перенаправит вас на сервер системы ASSIST. Здесь нужно ввести номер карты, срок действия и имя держателя.
- Электронные системы при онлайн-заказе: PayPal, WebMoney и Яндекс.Деньги. Для совершения покупки система перенаправит вас на страницу платежного сервиса. Здесь необходимо заполнить форму по инструкции.
2. Самовывоз из магазина. Вы можете забрать товар в нашем магазине по адресу г. Иваново, ул. Короткова 51/1 (1 этаж). При получении товара необходимо иметь при себе документ подтверждающий оплату и удостоверение личности. При покупке на юридическое лицо дополнительно необходимо предоставить доверенность.
3. Доставка в регионы России. Доставка в регионы РФ осуществляется силами транспортных компаний. Доставка до терминала транспортной компании г. Иваново осуществляется бесплатно. В зависимости от вашего региона проживания, доставка занимает разное время. О доставке в другие регионы России и страны СНГ уточняйте менеджеров магазина.